آخرین بروزرسانی :3/11/1401
Bush/ مشخصات بوش ها
Key & Bore/شفت و خار
فرم درخواست پولی
مشخصات محصول
SPB 710/3
افزودن به سبد خرید
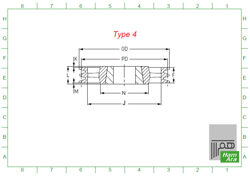
N (GROOVES)
BUSH
MAX BORE
PULLEY TYPE
F
J
K
L
M
N
PD
OD
Weight (kg)
3
3525
90
4
63
664
1
65
1
187
710
717
39.2
بازگشت به صفحه اصلی
ذخیره PDF
×
خرید کالا
Some text in the Modal Body
Some other text...
خبرنامه